語系

Google tag

CVC Technologies, Inc.Leading pharma packaging.

In-Line Liquid Filler

CVC 3036-8

CVC 3036-8 with in-line configuration are really versatile fillers that easily - and inexpensively - accommodates to different bottle sizes.

STANDARD FEATURES

  • Diving type filling mechanism: filling nozzles dip into bottles and move up while liquid is being filled. It features less foaming during filling.
  • 8 filling stations.
  • Servo driven on both volumetric pistons and nozzles.
  • Flexible adjustments can meet different product characteristics and bottle shapes.
  • Various speed settings of liquid filling.
  • Drip tray.
  • Capability of recipe storage.
  • Simple and quick tech mode setup.
  • Track full / track empty sensors.
  • Bottle mouth holder design for special applications (require to conduct our factory test).
  • PLC control with user-friendly operation.
  • Motorized single lane sanitary conveyor. customized conveyor lengths are available upon request.
  • Type 304 stainless steel bin, frame, enclosure panels.
  • Type 316L stainless steel contact parts.
  • ISO 9001 : 2015 certified.
CVC 3036-8
CVC 3036-8
Bottle Mouth Holders<br>The dedicated bottle holders are required when bottle mouth opening is too small to be centered and aligned with fill nozzles.
Bottle Mouth Holders
The dedicated bottle holders are required when bottle mouth opening is too small to be centered and aligned with fill nozzles.
Shut-Off Nozzles and Drip Tray<br>Shut-off nozzles are strongly recommend for liquid with low viscosity.
Shut-Off Nozzles and Drip Tray
Shut-off nozzles are strongly recommend for liquid with low viscosity.
Bottle Feed Screw: <br> The customized feed screw is driven by a servo motor.  Operator can easily make quick changeover.  It takes only few minutes for the mechanical changeover and its related setting from the touch screen panel.
Bottle Feed Screw:
The customized feed screw is driven by a servo motor. Operator can easily make quick changeover. It takes only few minutes for the mechanical changeover and its related setting from the touch screen panel.
CVC 3036-8
CVC 3036-8
CVC 3036-8
CVC 3036-8
CVC 3036-8
CVC 3036-8
Previous Next Play Pause

TECHNICAL SPECIFICATIONS

AVAILABLE OPTIONS:

  • Include various sizes of volumetric pistons with fill volume capacity range from 20 ml up to 500 ml
  • Shut-off nozzles
  • 1-on-8 manifold pipe
  • Liquid buffer/storage tanks
  • 21 CFR PART 11 compliance
  • OPC UA for data collection
  • Bottle neck holders
  • Bottle feed screw
  • Bottle feed screw for handling irregular shaped containers

 

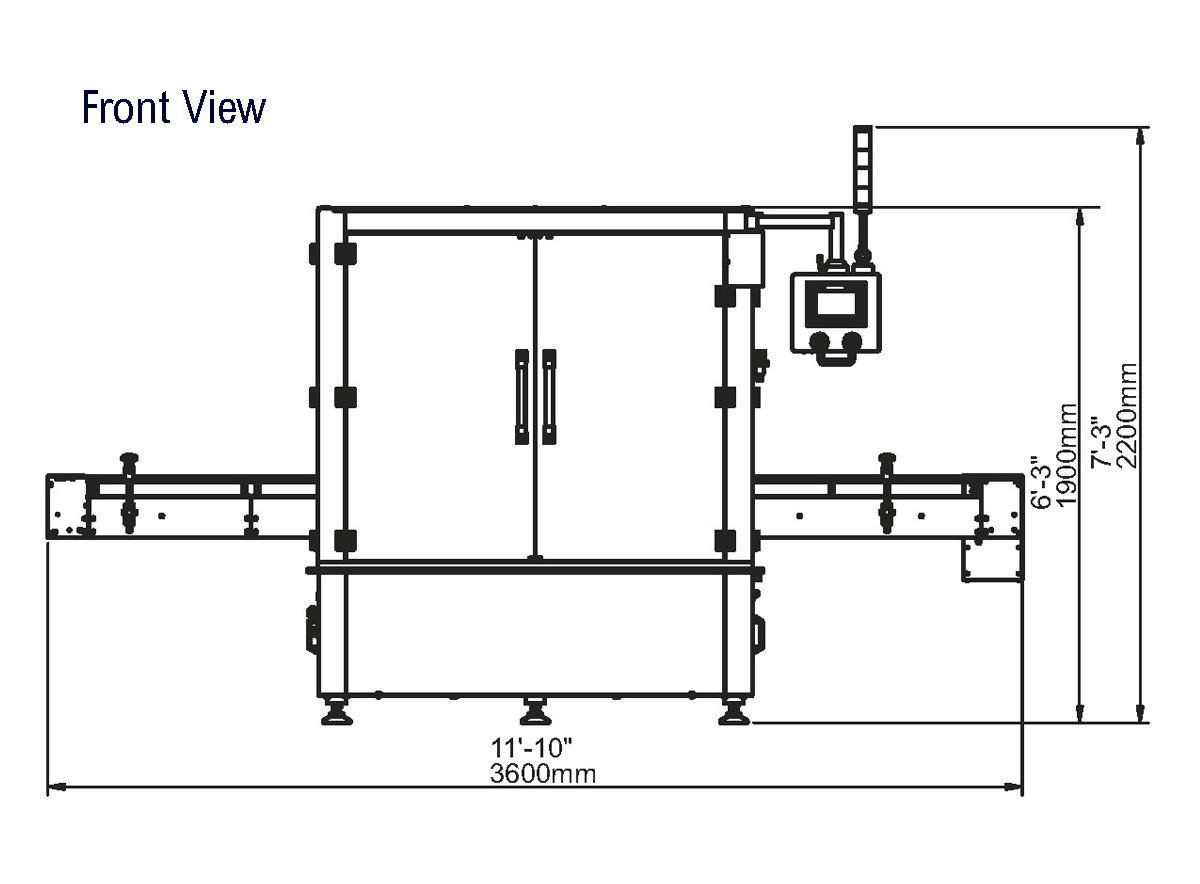
MACHINE LAYOUTS:


The dimensions shown are for standard machine. The conveyor can be extended: the length may var y based on selected options. This machine can run independently or be integrated into an automated packaging line. All CVC equipment is covered by a one-year parts warranty. Full Warranty details are included in our equipment proposals or can be found on our website.

Technical Specifications CVC 3036-8
Max. Productivity Rates in Excess of 64 Bottles Per Minute (Format Dependent)
Stable Productivity 7 - 8 Cycles, 56 - 64 BPM (base on 100cc filling volume water)
Applicable Bottle Plastic bottles, Glass bottles
Applicable Size Bottle Dia.: 1 ⅛" to 4 ⅜" (30 to 110 mm)
Bottle Height:2" to 8 ⅝" (50 to 220 mm)
Mouth Opening (I/D): ⅜" to ⅝" (10 to 15 mm), suitable for ¼"(6.5 mm) nozzle,over ⅝"(15 mm) need to match ½"(13 mm) nozzle.
Power Supply 220 V/ 50(60) HZ/ 1 PH
Power Consumption 4600 VA
Air Pressure 6 bar (87 psi)
Air Consumption 50 NLit/m (1.8 CFM)
Consumption Machine Dimensions 11'-10" x 3'-5" x 7'-3" (3600 mm x 1040 mm x 2200 mm) (L x W x H)
Viscosity 2,000 cps
Filling Range & Accuracy 20 ml ~ 500 ml ± 1% (Need to adapt different volumetric piston pumps and proper nozzles)
Amp. About 21 A
Net Weight 945 kg (2083 lbs)
Noise Level 70~75 dB

CATALOG DOWNLOAD

Ask about this product